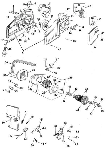
Complete illustrated parts list E 140 F Electricsaw

Electric chainsaws E 140 F Electricsaw Complete illustrated parts list Brand Oleo-Mac
Manufacturer: OLEOMAC
In case of spare parts order of E 140 F Electricsaw brand Oleo-Mac- to allow our staff to send you the correct spare parts- enter the year of the machine and- if available- its serial number on the final page of the trolley in the Miscellaneous notes field./p
This product is sold out