Close
Stihl Spare Parts
Back
Chain saws (MS), (MSA), (MSE)
Accessories for cordless products
Blowers (BG, BR), (BGA), (BE, BGE), Vacuum shredders (SH), (SHE)
Cordless powerheads (MVC, MVP)
Cut-off machines (TS), (TSA)
Extended reach hedge cutters (HL), (HLA)
Garden shredder (GH), (GHE)
Gasoline engines (B&S, Kawasaki, Kohler, EVC, EHC)
Viking Spare Parts
Back
Lawn mower VIKING
Ride-on mower VIKING
Lawn trimmer VIKING
Tillers VIKING
Robotic mower VIKING
Lawn scarifier VIKING
Hedge trimmers VIKING
Extended reach hedge trimmers VIKING
Efco Spare Parts
Back
Electric chainsaws Efco
Garden tractors Efco
Blowers Efco
Mowers Efco
Cutters Efco
Trimmers Efco
Motor pumps Efco
Chainsaws Efco
Nibbi Spare Parts
Back
Rotary tillers Nibbi
Transporters Nibbi
Mowers Nibbi
Cultivators Nibbi
Log splitters Nibbi
Snow Blowers Nibbi
Accessories Nibbi
Engine units Nibbi
Oleomac Spare Parts
Back
BrushCutters Oleo-Mac
Chainsaws Oleo-Mac
Motor pumps Oleo-Mac
Mowers Oleo-Mac
Garden tractors Oleo-Mac
Log splitters Oleo-Mac
Electric trimmer Oleo-Mac
Rotary tillers Oleo-Mac
Search
Filters
Personal menu
Shopping cart
Menu
Search
You have no items in your shopping cart.
Euro
US Dollar
Register
Log in
Wishlist
(0)
Home
/
Oleomac Spare Parts
/
Garden tractors Oleo-Mac
/
OM 106/24 KH (K2400AVD V-Twin - EURO5) Cat. 2021 Garden tractor
/
Electric diagram OM 106/24 KH (K2400AVD V-Twin - EURO5) Cat. 2021 Garden tractor
Electric diagram OM 106/24 KH (K2400AVD V-Twin - EURO5) Cat. 2021 Garden tractor
Prev
Dashboard OM 106/24 KH (K24...
Next
Engine OM 106/24 KH (K2400A...
Electric diagram OM 106/24 KH (K2400AVD V-Twin - EURO5) Cat. 2021 Garden tractor
Garden tractors OM 106/24 KH (K2400AVD V-Twin - EURO5) Cat. 2021 Garden tractor Electric diagram Brand Oleo-Mac
Manufacturer:
OLEOMAC
Email a friend
Share:
In case of spare parts order of OM 106/24 KH (K2400AVD V-Twin - EURO5) Cat. 2021 Garden tractor brand Oleo-Mac- to allow our staff to send you the correct spare parts- enter the year of the machine and- if available- its serial number on the final page of the trolley in the Miscellaneous notes field./p
Overview
Contact Us
In case of spare parts order of OM 106/24 KH (K2400AVD V-Twin - EURO5) Cat. 2021 Garden tractor brand Oleo-Mac- to allow our staff to send you the correct spare parts- enter the year of the machine and- if available- its serial number on the final page of the trolley in the Miscellaneous notes field./p
Your name
*
Your email
*
Enquiry
*
Submit
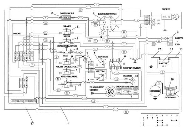
1 Wiring
Spare Part Wiring Electric diagram Garden tractors Brand Oleo-Mac Required Quantity: 1
€350.90 incl tax
Qty:
Qty.
+
-
Add to cart
2 Cable
Spare Part Cable Electric diagram Garden tractors Brand Oleo-Mac Required Quantity: 1
€25.54 incl tax
Qty:
Qty.
+
-
Add to cart
3 Bulb
Spare Part Bulb Electric diagram Garden tractors Brand Oleo-Mac Required Quantity: 1
€44.56 incl tax
Qty:
Qty.
+
-
Add to cart
4 Diode
Spare Part Diode Electric diagram Garden tractors Brand Oleo-Mac Required Quantity: 1
€25.24 incl tax
Qty:
Qty.
+
-
Add to cart
5 Switch grassbag
Spare Part Switch grassbag Electric diagram Garden tractors Brand Oleo-Mac Required Quantity: 4
€55.76 incl tax
Qty:
Qty.
+
-
Add to cart
6 Switch
Spare Part Switch Electric diagram Garden tractors Brand Oleo-Mac Required Quantity: 1
€130.06 incl tax
Qty:
Qty.
+
-
Add to cart
7 Switch box
Spare Part Switch box Electric diagram Garden tractors Brand Oleo-Mac Required Quantity: 1
€71.57 incl tax
Qty:
Qty.
+
-
Add to cart
8 Switch
Spare Part Switch Electric diagram Garden tractors Brand Oleo-Mac Required Quantity: 1
€43.02 incl tax
Qty:
Qty.
+
-
Add to cart
9 Micro-switch
Spare Part Micro-switch Electric diagram Garden tractors Brand Oleo-Mac Required Quantity: 1
€41.24 incl tax
Qty:
Qty.
+
-
Add to cart
10 Clutch
Spare Part Clutch Electric diagram Garden tractors Brand Oleo-Mac Required Quantity: 1
€991.49 incl tax
Qty:
Qty.
+
-
Add to cart
11 Switch
Spare Part Switch Electric diagram Garden tractors Brand Oleo-Mac Required Quantity: 1
€67.59 incl tax
Qty:
Qty.
+
-
Add to cart
12 Wire
Spare Part Wire Electric diagram Garden tractors Brand Oleo-Mac Required Quantity: 1
€15.92 incl tax
Qty:
Qty.
+
-
Add to cart
13 Complete cable
Spare Part Complete cable Electric diagram Garden tractors Brand Oleo-Mac Required Quantity: 1
€26.99 incl tax
Qty:
Qty.
+
-
Add to cart
14 Counter
Spare Part Counter Electric diagram Garden tractors Brand Oleo-Mac Required Quantity: 1
€204.55 incl tax
Qty:
Qty.
+
-
Add to cart
15 Battery
Spare Part Battery Electric diagram Garden tractors Brand Oleo-Mac Required Quantity: 1
€331.55 incl tax
Qty:
Qty.
+
-
Add to cart
16 Solenoid
Spare Part Solenoid Electric diagram Garden tractors Brand Oleo-Mac Required Quantity: 1
€56.72 incl tax
Qty:
Qty.
+
-
Add to cart
17 Electric diagram
Spare Part Electric diagram Electric diagram Garden tractors Brand Oleo-Mac Required Quantity: 1
€359.57 incl tax
Qty:
Qty.
+
-
Add to cart
18 Shoe
Spare Part Shoe Electric diagram Garden tractors Brand Oleo-Mac Required Quantity: 1
€25.08 incl tax
Qty:
Qty.
+
-
Add to cart
top