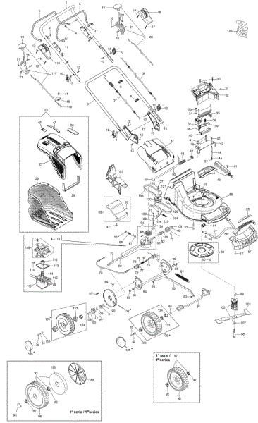
Illustrated parts list MAX 53 VBD ALUMINIUM PRO EURO 5 LawnmowerMowers MAX 53 VBD ALUMINIUM PRO EURO 5 Lawnmower Illustrated parts list Brand Oleo-MacManufacturer: OLEOMAC Email a friendIn case of spare parts order of MAX 53 VBD ALUMINIUM PRO EURO 5 Lawnmower brand Oleo-Mac- to allow our staff to send you the correct spare parts- enter the year of the machine and- if available- its serial number on the final page of the trolley in the Miscellaneous notes field./pOverviewContact UsIn case of spare parts order of MAX 53 VBD ALUMINIUM PRO EURO 5 Lawnmower brand Oleo-Mac- to allow our staff to send you the correct spare parts- enter the year of the machine and- if available- its serial number on the final page of the trolley in the Miscellaneous notes field./pYour name * Your email * Enquiry * Submit1 Traction leverSpare Part Traction lever Illustrated parts list Mowers Brand Oleo-Mac Required Quantity: 1 €26.64 incl tax Qty: Add to cart2 Upper handleSpare Part Upper handle Illustrated parts list Mowers Brand Oleo-Mac Required Quantity: 2 €60.83 incl tax Qty: Add to cart3 Clamp rightSpare Part Clamp right Illustrated parts list Mowers Brand Oleo-Mac Required Quantity: 1 €26.29 incl tax Qty: Add to cart4 RingSpare Part Ring Illustrated parts list Mowers Brand Oleo-Mac Required Quantity: 2 €5.51 incl tax Qty: Add to cart5 Brake leverSpare Part Brake lever Illustrated parts list Mowers Brand Oleo-Mac Required Quantity: 1 €34.39 incl tax Qty: Add to cart6 Lower handleSpare Part Lower handle Illustrated parts list Mowers Brand Oleo-Mac Required Quantity: 1 €41.55 incl tax Qty: Add to cart7 Traction cableSpare Part Traction cable Illustrated parts list Mowers Brand Oleo-Mac Required Quantity: 1 €35.00 incl tax Qty: Add to cart8 BandSpare Part Band Illustrated parts list Mowers Brand Oleo-Mac Required Quantity: 2 €7.86 incl tax Qty: Add to cart9 Engine break cableSpare Part Engine break cable Illustrated parts list Mowers Brand Oleo-Mac Required Quantity: 1 €31.94 incl tax Qty: Add to cart10 KnobSpare Part Knob Illustrated parts list Mowers Brand Oleo-Mac Required Quantity: 4 €14.93 incl tax Qty: Add to cart11 WasherSpare Part Washer Illustrated parts list Mowers Brand Oleo-Mac Required Quantity: 6 €4.98 incl tax Qty: Add to cart12 ScrewSpare Part Screw Illustrated parts list Mowers Brand Oleo-Mac Required Quantity: 4 €3.71 incl tax Qty: Add to cart13 Support setSpare Part Support set Illustrated parts list Mowers Brand Oleo-Mac Required Quantity: 1 €57.67 incl tax Qty: Add to cart14 ScrewSpare Part Screw Illustrated parts list Mowers Brand Oleo-Mac Required Quantity: 4 €5.12 incl tax Qty: Add to cart15 NutSpare Part Nut Illustrated parts list Mowers Brand Oleo-Mac Required Quantity: 8 €1.95 incl tax Qty: Add to cart16 DashboardSpare Part Dashboard Illustrated parts list Mowers Brand Oleo-Mac Required Quantity: 1 €32.59 incl tax Qty: Add to cart17 ScrewSpare Part Screw Illustrated parts list Mowers Brand Oleo-Mac Required Quantity: 2 €4.64 incl tax Qty: Add to cart18 ScrewSpare Part Screw Illustrated parts list Mowers Brand Oleo-Mac Required Quantity: 2 €0.83 incl tax Qty: Add to cart19 KnobSpare Part Knob Illustrated parts list Mowers Brand Oleo-Mac Required Quantity: 1 €12.69 incl tax Qty: Add to cart20 Complete throttleSpare Part Complete throttle Illustrated parts list Mowers Brand Oleo-Mac Required Quantity: 1 €33.47 incl tax Qty: Add to cart21 NutSpare Part Nut Illustrated parts list Mowers Brand Oleo-Mac Required Quantity: 2 €1.95 incl tax Qty: Add to cart22 SheathSpare Part Sheath Illustrated parts list Mowers Brand Oleo-Mac Required Quantity: 1 €11.44 incl tax Qty: Add to cart23 Grassbag kitSpare Part Grassbag kit Illustrated parts list Mowers Brand Oleo-Mac Required Quantity: 1 €194.73 incl tax Qty: Add to cart24 ShutterSpare Part Shutter Illustrated parts list Mowers Brand Oleo-Mac Required Quantity: 1 €14.38 incl tax Qty: Add to cart25 Cover Arancio ; OrangeSpare Part Cover Arancio ; Orange Illustrated parts list Mowers Brand Oleo-Mac Required Quantity: 2 €16.50 incl tax Qty: Add to cart26 LockSpare Part Lock Illustrated parts list Mowers Brand Oleo-Mac Required Quantity: 1 €18.72 incl tax Qty: Add to cart27 FrameSpare Part Frame Illustrated parts list Mowers Brand Oleo-Mac Required Quantity: 1 €75.85 incl tax Qty: Add to cart28 SupportSpare Part Support Illustrated parts list Mowers Brand Oleo-Mac Required Quantity: 1 €12.78 incl tax Qty: Add to cart29 Grassbag Logo Oleo-MacSpare Part Grassbag Logo Oleo-Mac Illustrated parts list Mowers Brand Oleo-Mac Required Quantity: 1 €118.63 incl tax Qty: Add to cart30 ScrewSpare Part Screw Illustrated parts list Mowers Brand Oleo-Mac Required Quantity: 2 €0.63 incl tax Qty: Add to cart31 ScrewSpare Part Screw Illustrated parts list Mowers Brand Oleo-Mac Required Quantity: 1 €9.27 incl tax Qty: Add to cart32 CoverSpare Part Cover Illustrated parts list Mowers Brand Oleo-Mac Required Quantity: 1 €32.86 incl tax Qty: Add to cart33 ScrewSpare Part Screw Illustrated parts list Mowers Brand Oleo-Mac Required Quantity: 3 €7.47 incl tax Qty: Add to cart34 WasherSpare Part Washer Illustrated parts list Mowers Brand Oleo-Mac Required Quantity: 3 €6.64 incl tax Qty: Add to cart35 HandleSpare Part Handle Illustrated parts list Mowers Brand Oleo-Mac Required Quantity: 1 €30.28 incl tax Qty: Add to cart36 SpringSpare Part Spring Illustrated parts list Mowers Brand Oleo-Mac Required Quantity: 1 €13.02 incl tax Qty: Add to cart37 PlugSpare Part Plug Illustrated parts list Mowers Brand Oleo-Mac Required Quantity: 1 €11.22 incl tax Qty: Add to cart38 PlugSpare Part Plug Illustrated parts list Mowers Brand Oleo-Mac Required Quantity: 1 €9.91 incl tax Qty: Add to cart39 LeverSpare Part Lever Illustrated parts list Mowers Brand Oleo-Mac Required Quantity: 1 €16.84 incl tax Qty: Add to cart40 LockSpare Part Lock Illustrated parts list Mowers Brand Oleo-Mac Required Quantity: 1 €14.86 incl tax Qty: Add to cart41 ScrewSpare Part Screw Illustrated parts list Mowers Brand Oleo-Mac €2.29 incl tax Qty: Add to cart42 ScrewSpare Part Screw Illustrated parts list Mowers Brand Oleo-Mac Required Quantity: 1 €9.13 incl tax Qty: Add to cart43 SupportSpare Part Support Illustrated parts list Mowers Brand Oleo-Mac Required Quantity: 1 €37.49 incl tax Qty: Add to cart44 PinSpare Part Pin Illustrated parts list Mowers Brand Oleo-Mac Required Quantity: 1 €16.53 incl tax Qty: Add to cart45 WasherSpare Part Washer Illustrated parts list Mowers Brand Oleo-Mac Required Quantity: 1 €1.46 incl tax Qty: Add to cart46 CoverSpare Part Cover Illustrated parts list Mowers Brand Oleo-Mac Required Quantity: 1 €32.21 incl tax Qty: Add to cart47 Shutter Arancio ; OrangeSpare Part Shutter Arancio ; Orange Illustrated parts list Mowers Brand Oleo-Mac Required Quantity: 1 €35.73 incl tax Qty: Add to cart48 ClampSpare Part Clamp Illustrated parts list Mowers Brand Oleo-Mac Required Quantity: 2 €3.71 incl tax Qty: Add to cart49 SpringSpare Part Spring Illustrated parts list Mowers Brand Oleo-Mac Required Quantity: 1 €7.91 incl tax Qty: Add to cart50 Deflector axleSpare Part Deflector axle Illustrated parts list Mowers Brand Oleo-Mac Required Quantity: 1 €11.37 incl tax Qty: Add to cart51 GuardSpare Part Guard Illustrated parts list Mowers Brand Oleo-Mac Required Quantity: 1 €54.72 incl tax Qty: Add to cart52 Clamp leftSpare Part Clamp left Illustrated parts list Mowers Brand Oleo-Mac Required Quantity: 1 €26.29 incl tax Qty: Add to cart53 ScrewSpare Part Screw Illustrated parts list Mowers Brand Oleo-Mac Required Quantity: 1 €1.90 incl tax Qty: Add to cart54 BushingSpare Part Bushing Illustrated parts list Mowers Brand Oleo-Mac Required Quantity: 2 €6.34 incl tax Qty: Add to cart55 DeckSpare Part Deck Illustrated parts list Mowers Brand Oleo-Mac Required Quantity: 1 €695.58 incl tax Qty: Add to cart56 HandleSpare Part Handle Illustrated parts list Mowers Brand Oleo-Mac Required Quantity: 1 €21.25 incl tax Qty: Add to cart57 GuardSpare Part Guard Illustrated parts list Mowers Brand Oleo-Mac Required Quantity: 1 €31.60 incl tax Qty: Add to cart58 ScrewSpare Part Screw Illustrated parts list Mowers Brand Oleo-Mac Required Quantity: 1 €14.44 incl tax Qty: Add to cart59 Guard kitSpare Part Guard kit Illustrated parts list Mowers Brand Oleo-Mac Required Quantity: 1 €24.73 incl tax Qty: Add to cart60 ScrewSpare Part Screw Illustrated parts list Mowers Brand Oleo-Mac Required Quantity: 3 €2.29 incl tax Qty: Add to cart61 Mulching cap OptionalSpare Part Mulching cap Optional Illustrated parts list Mowers Brand Oleo-Mac Required Quantity: 1 €59.23 incl tax Qty: Add to cart62 CoverSpare Part Cover Illustrated parts list Mowers Brand Oleo-Mac Required Quantity: 1 €23.47 incl tax Qty: Add to cart63 SpacerSpare Part Spacer Illustrated parts list Mowers Brand Oleo-Mac Required Quantity: 2 €2.93 incl tax Qty: Add to cart64 Gear case assySpare Part Gear case assy Illustrated parts list Mowers Brand Oleo-Mac Required Quantity: 1 €271.59 incl tax Qty: Add to cart65 PulleySpare Part Pulley Illustrated parts list Mowers Brand Oleo-Mac Required Quantity: 1 €30.91 incl tax Qty: Add to cart66 PlugSpare Part Plug Illustrated parts list Mowers Brand Oleo-Mac Required Quantity: 1 €4.93 incl tax Qty: Add to cart67 PinSpare Part Pin Illustrated parts list Mowers Brand Oleo-Mac Required Quantity: 1 €11.37 incl tax Qty: Add to cart68 SpringSpare Part Spring Illustrated parts list Mowers Brand Oleo-Mac Required Quantity: 1 €14.72 incl tax Qty: Add to cart69 WasherSpare Part Washer Illustrated parts list Mowers Brand Oleo-Mac Required Quantity: 5 €9.96 incl tax Qty: Add to cart70 ScrewSpare Part Screw Illustrated parts list Mowers Brand Oleo-Mac Required Quantity: 4 €9.13 incl tax Qty: Add to cart71 SprocketSpare Part Sprocket Illustrated parts list Mowers Brand Oleo-Mac Required Quantity: 2 €21.96 incl tax Qty: Add to cart72 RollerSpare Part Roller Illustrated parts list Mowers Brand Oleo-Mac Required Quantity: 2 €4.64 incl tax Qty: Add to cart73 ScrewSpare Part Screw Illustrated parts list Mowers Brand Oleo-Mac Required Quantity: 6 €6.30 incl tax Qty: Add to cart74 BushingSpare Part Bushing Illustrated parts list Mowers Brand Oleo-Mac Required Quantity: 1 €14.59 incl tax Qty: Add to cart75 PinSpare Part Pin Illustrated parts list Mowers Brand Oleo-Mac Required Quantity: 1 €31.60 incl tax Qty: Add to cart76 SpringSpare Part Spring Illustrated parts list Mowers Brand Oleo-Mac Required Quantity: 1 €14.24 incl tax Qty: Add to cart77 O-ringSpare Part O-ring Illustrated parts list Mowers Brand Oleo-Mac Required Quantity: 1 €3.90 incl tax Qty: Add to cart78 PlateSpare Part Plate Illustrated parts list Mowers Brand Oleo-Mac Required Quantity: 1 €19.47 incl tax Qty: Add to cart79 WireSpare Part Wire Illustrated parts list Mowers Brand Oleo-Mac Required Quantity: 1 €17.59 incl tax Qty: Add to cart80 BushingSpare Part Bushing Illustrated parts list Mowers Brand Oleo-Mac Required Quantity: 2 €9.27 incl tax Qty: Add to cart81 SpringSpare Part Spring Illustrated parts list Mowers Brand Oleo-Mac Required Quantity: 1 €17.59 incl tax Qty: Add to cart82 RodSpare Part Rod Illustrated parts list Mowers Brand Oleo-Mac Required Quantity: 1 €29.08 incl tax Qty: Add to cart83 Retainer washerSpare Part Retainer washer Illustrated parts list Mowers Brand Oleo-Mac Required Quantity: 2 €10.93 incl tax Qty: Add to cart84 Compl. rear axleSpare Part Compl. rear axle Illustrated parts list Mowers Brand Oleo-Mac Required Quantity: 1 €125.68 incl tax Qty: Add to cart85 RingSpare Part Ring Illustrated parts list Mowers Brand Oleo-Mac Required Quantity: 2 €4.93 incl tax Qty: Add to cart87 ScrewSpare Part Screw Illustrated parts list Mowers Brand Oleo-Mac Required Quantity: 2 €5.12 incl tax Qty: Add to cart
1 Traction leverSpare Part Traction lever Illustrated parts list Mowers Brand Oleo-Mac Required Quantity: 1 €26.64 incl tax Qty: Add to cart
2 Upper handleSpare Part Upper handle Illustrated parts list Mowers Brand Oleo-Mac Required Quantity: 2 €60.83 incl tax Qty: Add to cart
3 Clamp rightSpare Part Clamp right Illustrated parts list Mowers Brand Oleo-Mac Required Quantity: 1 €26.29 incl tax Qty: Add to cart
4 RingSpare Part Ring Illustrated parts list Mowers Brand Oleo-Mac Required Quantity: 2 €5.51 incl tax Qty: Add to cart
5 Brake leverSpare Part Brake lever Illustrated parts list Mowers Brand Oleo-Mac Required Quantity: 1 €34.39 incl tax Qty: Add to cart
6 Lower handleSpare Part Lower handle Illustrated parts list Mowers Brand Oleo-Mac Required Quantity: 1 €41.55 incl tax Qty: Add to cart
7 Traction cableSpare Part Traction cable Illustrated parts list Mowers Brand Oleo-Mac Required Quantity: 1 €35.00 incl tax Qty: Add to cart
8 BandSpare Part Band Illustrated parts list Mowers Brand Oleo-Mac Required Quantity: 2 €7.86 incl tax Qty: Add to cart
9 Engine break cableSpare Part Engine break cable Illustrated parts list Mowers Brand Oleo-Mac Required Quantity: 1 €31.94 incl tax Qty: Add to cart
10 KnobSpare Part Knob Illustrated parts list Mowers Brand Oleo-Mac Required Quantity: 4 €14.93 incl tax Qty: Add to cart
11 WasherSpare Part Washer Illustrated parts list Mowers Brand Oleo-Mac Required Quantity: 6 €4.98 incl tax Qty: Add to cart
12 ScrewSpare Part Screw Illustrated parts list Mowers Brand Oleo-Mac Required Quantity: 4 €3.71 incl tax Qty: Add to cart
13 Support setSpare Part Support set Illustrated parts list Mowers Brand Oleo-Mac Required Quantity: 1 €57.67 incl tax Qty: Add to cart
14 ScrewSpare Part Screw Illustrated parts list Mowers Brand Oleo-Mac Required Quantity: 4 €5.12 incl tax Qty: Add to cart
15 NutSpare Part Nut Illustrated parts list Mowers Brand Oleo-Mac Required Quantity: 8 €1.95 incl tax Qty: Add to cart
16 DashboardSpare Part Dashboard Illustrated parts list Mowers Brand Oleo-Mac Required Quantity: 1 €32.59 incl tax Qty: Add to cart
17 ScrewSpare Part Screw Illustrated parts list Mowers Brand Oleo-Mac Required Quantity: 2 €4.64 incl tax Qty: Add to cart
18 ScrewSpare Part Screw Illustrated parts list Mowers Brand Oleo-Mac Required Quantity: 2 €0.83 incl tax Qty: Add to cart
19 KnobSpare Part Knob Illustrated parts list Mowers Brand Oleo-Mac Required Quantity: 1 €12.69 incl tax Qty: Add to cart
20 Complete throttleSpare Part Complete throttle Illustrated parts list Mowers Brand Oleo-Mac Required Quantity: 1 €33.47 incl tax Qty: Add to cart
21 NutSpare Part Nut Illustrated parts list Mowers Brand Oleo-Mac Required Quantity: 2 €1.95 incl tax Qty: Add to cart
22 SheathSpare Part Sheath Illustrated parts list Mowers Brand Oleo-Mac Required Quantity: 1 €11.44 incl tax Qty: Add to cart
23 Grassbag kitSpare Part Grassbag kit Illustrated parts list Mowers Brand Oleo-Mac Required Quantity: 1 €194.73 incl tax Qty: Add to cart
24 ShutterSpare Part Shutter Illustrated parts list Mowers Brand Oleo-Mac Required Quantity: 1 €14.38 incl tax Qty: Add to cart
25 Cover Arancio ; OrangeSpare Part Cover Arancio ; Orange Illustrated parts list Mowers Brand Oleo-Mac Required Quantity: 2 €16.50 incl tax Qty: Add to cart
26 LockSpare Part Lock Illustrated parts list Mowers Brand Oleo-Mac Required Quantity: 1 €18.72 incl tax Qty: Add to cart
27 FrameSpare Part Frame Illustrated parts list Mowers Brand Oleo-Mac Required Quantity: 1 €75.85 incl tax Qty: Add to cart
28 SupportSpare Part Support Illustrated parts list Mowers Brand Oleo-Mac Required Quantity: 1 €12.78 incl tax Qty: Add to cart
29 Grassbag Logo Oleo-MacSpare Part Grassbag Logo Oleo-Mac Illustrated parts list Mowers Brand Oleo-Mac Required Quantity: 1 €118.63 incl tax Qty: Add to cart
30 ScrewSpare Part Screw Illustrated parts list Mowers Brand Oleo-Mac Required Quantity: 2 €0.63 incl tax Qty: Add to cart
31 ScrewSpare Part Screw Illustrated parts list Mowers Brand Oleo-Mac Required Quantity: 1 €9.27 incl tax Qty: Add to cart
32 CoverSpare Part Cover Illustrated parts list Mowers Brand Oleo-Mac Required Quantity: 1 €32.86 incl tax Qty: Add to cart
33 ScrewSpare Part Screw Illustrated parts list Mowers Brand Oleo-Mac Required Quantity: 3 €7.47 incl tax Qty: Add to cart
34 WasherSpare Part Washer Illustrated parts list Mowers Brand Oleo-Mac Required Quantity: 3 €6.64 incl tax Qty: Add to cart
35 HandleSpare Part Handle Illustrated parts list Mowers Brand Oleo-Mac Required Quantity: 1 €30.28 incl tax Qty: Add to cart
36 SpringSpare Part Spring Illustrated parts list Mowers Brand Oleo-Mac Required Quantity: 1 €13.02 incl tax Qty: Add to cart
37 PlugSpare Part Plug Illustrated parts list Mowers Brand Oleo-Mac Required Quantity: 1 €11.22 incl tax Qty: Add to cart
38 PlugSpare Part Plug Illustrated parts list Mowers Brand Oleo-Mac Required Quantity: 1 €9.91 incl tax Qty: Add to cart
39 LeverSpare Part Lever Illustrated parts list Mowers Brand Oleo-Mac Required Quantity: 1 €16.84 incl tax Qty: Add to cart
40 LockSpare Part Lock Illustrated parts list Mowers Brand Oleo-Mac Required Quantity: 1 €14.86 incl tax Qty: Add to cart
41 ScrewSpare Part Screw Illustrated parts list Mowers Brand Oleo-Mac €2.29 incl tax Qty: Add to cart
42 ScrewSpare Part Screw Illustrated parts list Mowers Brand Oleo-Mac Required Quantity: 1 €9.13 incl tax Qty: Add to cart
43 SupportSpare Part Support Illustrated parts list Mowers Brand Oleo-Mac Required Quantity: 1 €37.49 incl tax Qty: Add to cart
44 PinSpare Part Pin Illustrated parts list Mowers Brand Oleo-Mac Required Quantity: 1 €16.53 incl tax Qty: Add to cart
45 WasherSpare Part Washer Illustrated parts list Mowers Brand Oleo-Mac Required Quantity: 1 €1.46 incl tax Qty: Add to cart
46 CoverSpare Part Cover Illustrated parts list Mowers Brand Oleo-Mac Required Quantity: 1 €32.21 incl tax Qty: Add to cart
47 Shutter Arancio ; OrangeSpare Part Shutter Arancio ; Orange Illustrated parts list Mowers Brand Oleo-Mac Required Quantity: 1 €35.73 incl tax Qty: Add to cart
48 ClampSpare Part Clamp Illustrated parts list Mowers Brand Oleo-Mac Required Quantity: 2 €3.71 incl tax Qty: Add to cart
49 SpringSpare Part Spring Illustrated parts list Mowers Brand Oleo-Mac Required Quantity: 1 €7.91 incl tax Qty: Add to cart
50 Deflector axleSpare Part Deflector axle Illustrated parts list Mowers Brand Oleo-Mac Required Quantity: 1 €11.37 incl tax Qty: Add to cart
51 GuardSpare Part Guard Illustrated parts list Mowers Brand Oleo-Mac Required Quantity: 1 €54.72 incl tax Qty: Add to cart
52 Clamp leftSpare Part Clamp left Illustrated parts list Mowers Brand Oleo-Mac Required Quantity: 1 €26.29 incl tax Qty: Add to cart
53 ScrewSpare Part Screw Illustrated parts list Mowers Brand Oleo-Mac Required Quantity: 1 €1.90 incl tax Qty: Add to cart
54 BushingSpare Part Bushing Illustrated parts list Mowers Brand Oleo-Mac Required Quantity: 2 €6.34 incl tax Qty: Add to cart
55 DeckSpare Part Deck Illustrated parts list Mowers Brand Oleo-Mac Required Quantity: 1 €695.58 incl tax Qty: Add to cart
56 HandleSpare Part Handle Illustrated parts list Mowers Brand Oleo-Mac Required Quantity: 1 €21.25 incl tax Qty: Add to cart
57 GuardSpare Part Guard Illustrated parts list Mowers Brand Oleo-Mac Required Quantity: 1 €31.60 incl tax Qty: Add to cart
58 ScrewSpare Part Screw Illustrated parts list Mowers Brand Oleo-Mac Required Quantity: 1 €14.44 incl tax Qty: Add to cart
59 Guard kitSpare Part Guard kit Illustrated parts list Mowers Brand Oleo-Mac Required Quantity: 1 €24.73 incl tax Qty: Add to cart
60 ScrewSpare Part Screw Illustrated parts list Mowers Brand Oleo-Mac Required Quantity: 3 €2.29 incl tax Qty: Add to cart
61 Mulching cap OptionalSpare Part Mulching cap Optional Illustrated parts list Mowers Brand Oleo-Mac Required Quantity: 1 €59.23 incl tax Qty: Add to cart
62 CoverSpare Part Cover Illustrated parts list Mowers Brand Oleo-Mac Required Quantity: 1 €23.47 incl tax Qty: Add to cart
63 SpacerSpare Part Spacer Illustrated parts list Mowers Brand Oleo-Mac Required Quantity: 2 €2.93 incl tax Qty: Add to cart
64 Gear case assySpare Part Gear case assy Illustrated parts list Mowers Brand Oleo-Mac Required Quantity: 1 €271.59 incl tax Qty: Add to cart
65 PulleySpare Part Pulley Illustrated parts list Mowers Brand Oleo-Mac Required Quantity: 1 €30.91 incl tax Qty: Add to cart
66 PlugSpare Part Plug Illustrated parts list Mowers Brand Oleo-Mac Required Quantity: 1 €4.93 incl tax Qty: Add to cart
67 PinSpare Part Pin Illustrated parts list Mowers Brand Oleo-Mac Required Quantity: 1 €11.37 incl tax Qty: Add to cart
68 SpringSpare Part Spring Illustrated parts list Mowers Brand Oleo-Mac Required Quantity: 1 €14.72 incl tax Qty: Add to cart
69 WasherSpare Part Washer Illustrated parts list Mowers Brand Oleo-Mac Required Quantity: 5 €9.96 incl tax Qty: Add to cart
70 ScrewSpare Part Screw Illustrated parts list Mowers Brand Oleo-Mac Required Quantity: 4 €9.13 incl tax Qty: Add to cart
71 SprocketSpare Part Sprocket Illustrated parts list Mowers Brand Oleo-Mac Required Quantity: 2 €21.96 incl tax Qty: Add to cart
72 RollerSpare Part Roller Illustrated parts list Mowers Brand Oleo-Mac Required Quantity: 2 €4.64 incl tax Qty: Add to cart
73 ScrewSpare Part Screw Illustrated parts list Mowers Brand Oleo-Mac Required Quantity: 6 €6.30 incl tax Qty: Add to cart
74 BushingSpare Part Bushing Illustrated parts list Mowers Brand Oleo-Mac Required Quantity: 1 €14.59 incl tax Qty: Add to cart
75 PinSpare Part Pin Illustrated parts list Mowers Brand Oleo-Mac Required Quantity: 1 €31.60 incl tax Qty: Add to cart
76 SpringSpare Part Spring Illustrated parts list Mowers Brand Oleo-Mac Required Quantity: 1 €14.24 incl tax Qty: Add to cart
77 O-ringSpare Part O-ring Illustrated parts list Mowers Brand Oleo-Mac Required Quantity: 1 €3.90 incl tax Qty: Add to cart
78 PlateSpare Part Plate Illustrated parts list Mowers Brand Oleo-Mac Required Quantity: 1 €19.47 incl tax Qty: Add to cart
79 WireSpare Part Wire Illustrated parts list Mowers Brand Oleo-Mac Required Quantity: 1 €17.59 incl tax Qty: Add to cart
80 BushingSpare Part Bushing Illustrated parts list Mowers Brand Oleo-Mac Required Quantity: 2 €9.27 incl tax Qty: Add to cart
81 SpringSpare Part Spring Illustrated parts list Mowers Brand Oleo-Mac Required Quantity: 1 €17.59 incl tax Qty: Add to cart
82 RodSpare Part Rod Illustrated parts list Mowers Brand Oleo-Mac Required Quantity: 1 €29.08 incl tax Qty: Add to cart
83 Retainer washerSpare Part Retainer washer Illustrated parts list Mowers Brand Oleo-Mac Required Quantity: 2 €10.93 incl tax Qty: Add to cart
84 Compl. rear axleSpare Part Compl. rear axle Illustrated parts list Mowers Brand Oleo-Mac Required Quantity: 1 €125.68 incl tax Qty: Add to cart
85 RingSpare Part Ring Illustrated parts list Mowers Brand Oleo-Mac Required Quantity: 2 €4.93 incl tax Qty: Add to cart
87 ScrewSpare Part Screw Illustrated parts list Mowers Brand Oleo-Mac Required Quantity: 2 €5.12 incl tax Qty: Add to cart