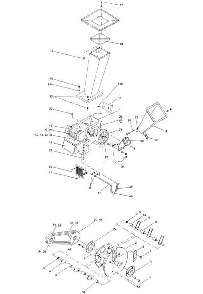
Illustrated parts list SH 550 Shredder

Shredders SH 550 Shredder Illustrated parts list Brand Oleo-Mac
Manufacturer: OLEOMAC
In case of spare parts order of SH 550 Shredder brand Oleo-Mac- to allow our staff to send you the correct spare parts- enter the year of the machine and- if available- its serial number on the final page of the trolley in the Miscellaneous notes field./p
This product is sold out