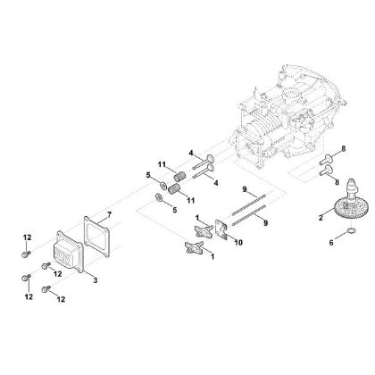
EVC 200.0 (EVC200-0001)

Complete diagram of original spare parts of  EVC, EVC 200.0 (EVC200-0001) Stihl. In case of purchase of spare parts, indicate in the notes field (in the final phase of the cart) the year of purchase of the machine to certify the spare parts correct originals. EVC 200.0 (EVC200-0001) Stihl in order to identify the correct original spare parts.

View as Grid List
Sort by
Display per page