KM 131

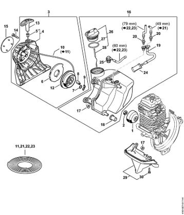
Complete diagram of original spare parts of  KombiEngines (KM), KM 131 Stihl. In case of purchase of spare parts, indicate in the notes field (in the final phase of the cart) the year of purchase of the machine to certify the spare parts correct originals. KM 131 Stihl in order to identify the correct original spare parts.

View as Grid List
Sort by
Display per page

Tightening torques KM 131

Tightening torques KombiEngines (KM) KM 131 Stihl
From €1.76 incl tax

Tightening torques KM 131

Tightening torques KombiEngines (KM) KM 131 Stihl
From €2.68 incl tax

Tools, Extras KM 131

Tools, Extras KombiEngines (KM) KM 131 Stihl
From €1.42 incl tax