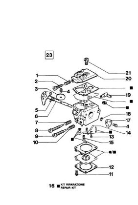
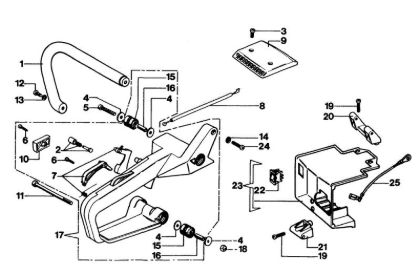
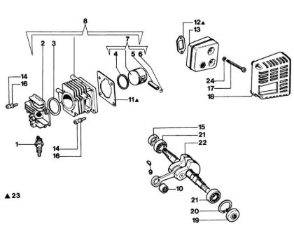
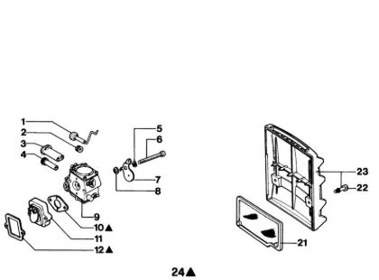
935 X Chainsaw

Complete diagram of the original spare parts of the Oleo-Mac Oleo-Mac   . In case of purchase of spare parts, indicate in the notes field (in the final phase of the trolley) the year of purchase of the machine in order to identify the correct original spare parts.

View as Grid List
Sort by
Display per page

Engine 935 X Chainsaw

Chainsaws 935 X Chainsaw Engine Brand Oleo-Mac

Handle 935 X Chainsaw

Chainsaws 935 X Chainsaw Handle Brand Oleo-Mac