RT 6112.0 ZL
Complete diagram of original spare parts RT, RT 6112.0 ZL Stihl. In case of purchase of spare parts, indicate in the notes field (in the final phase of the cart) the year of purchase of the machine Stihl in order to identify the correct original spare parts.
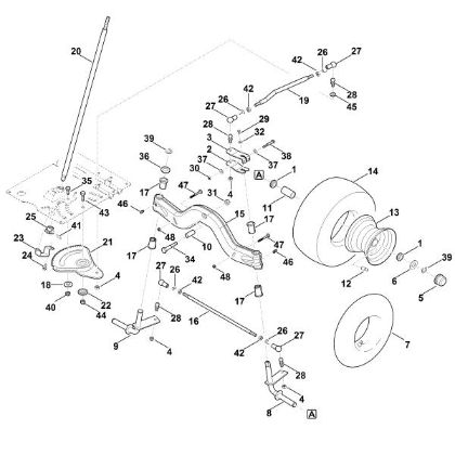
E - Steering, front wheel RT 6112.0 ZL
E - Steering, front wheel RT RT 6112.0 ZL brand Stihl
From €1.07 incl tax
I - Gearbox, rear wheel, blade clutch RT 6112.0 ZL
I - Gearbox, rear wheel, blade clutch RT RT 6112.0 ZL brand Stihl
From €1.12 incl tax
J - Brake, parking brake, control lever, cruise control RT 6112.0 ZL
J - Brake, parking brake, control lever, cruise control RT RT 6112.0 ZL brand Stihl
From €1.07 incl tax
K - Height adjustment RT 6112.0 ZL
K - Height adjustment RT RT 6112.0 ZL brand Stihl
From €1.71 incl tax
L - Mowing deck housing RT 6112.0 ZL
L - Mowing deck housing RT RT 6112.0 ZL brand Stihl
From €2.29 incl tax
- 1
- 2