GE 140.0 L
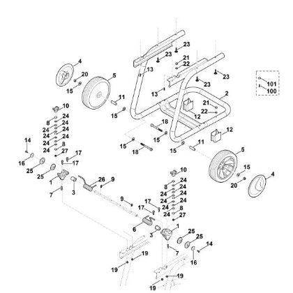
Complete diagram of original spare partsĀ GE, GE 140.0 L Viking. In case of purchase of spare parts, indicate in the notes field (in the final phase of the cart) the year of purchase of the machine VikingĀ in order to identify the correct original spare parts.
C - Motor, cutting system GE 140.0 L
C - Motor, cutting system GE GE 140.0 L brand Viking
From €0.54 incl tax
D - Electric equipment GE 140.0 L
D - Electric equipment GE GE 140.0 L brand Viking
From €2.68 incl tax