HT 130
Complete diagram of original spare parts of Pole pruners (HT), HT 130 Stihl. In case of purchase of spare parts, indicate in the notes field (in the final phase of the cart) the year of purchase of the machine to certify the spare parts correct originals. HT 130 Stihl in order to identify the correct original spare parts.
Back mounted support system RTS HT 130
Back mounted support system RTS Pole pruners (HT) HT 130 Stihl
From €1.07 incl tax
Carburetor C1Q-S173, C1Q-S130 5 08 507 652 HT 130
Carburetor C1Q-S173, C1Q-S130 5 08 507 652 Pole pruners (HT) HT 130 Stihl
From €3.22 incl tax
Carburetor C1Q-S98 5 08 507 652 HT 130
Carburetor C1Q-S98 5 08 507 652 Pole pruners (HT) HT 130 Stihl
From €3.22 incl tax
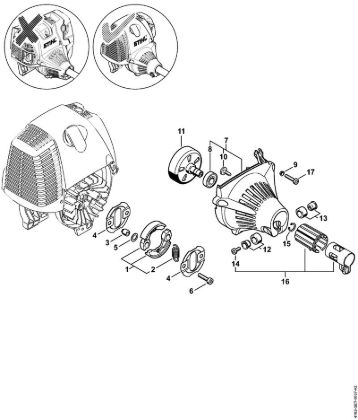
Clutch, Fan housing 5 08 507 652 HT 130
Clutch, Fan housing 5 08 507 652 Pole pruners (HT) HT 130 Stihl
From €2.15 incl tax
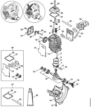
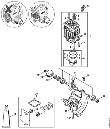
Cylinder, Engine pan 5 08 507 652 HT 130
Cylinder, Engine pan 5 08 507 652 Pole pruners (HT) HT 130 Stihl
From €2.15 incl tax
Drive tube assembly HT 130 HT 130
Drive tube assembly HT 130 Pole pruners (HT) HT 130 Stihl
From €1.12 incl tax