HT 133

Complete diagram of original spare parts of  Pole pruners (HT), HT 133 Stihl. In case of purchase of spare parts, indicate in the notes field (in the final phase of the cart) the year of purchase of the machine to certify the spare parts correct originals. HT 133 Stihl in order to identify the correct original spare parts.

View as Grid List
Sort by
Display per page

Muffler, Air filter HT 133

Muffler, Air filter Pole pruners (HT) HT 133 Stihl
From €1.76 incl tax

Pump HT 133

Pump Pole pruners (HT) HT 133 Stihl
From €31.07 incl tax

Screwdriver, T8 HT 133

Screwdriver, T8 Pole pruners (HT) HT 133 Stihl
From €12.72 incl tax

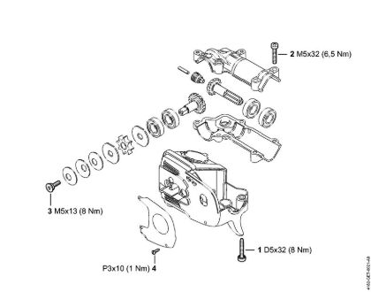
Tightening torques HT 133

Tightening torques Pole pruners (HT) HT 133 Stihl
From €1.76 incl tax

Tightening torques HT 133

Tightening torques Pole pruners (HT) HT 133 Stihl
From €2.68 incl tax