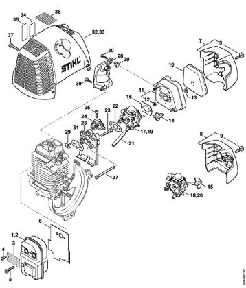
FS 130

Complete diagram of original spare parts of  Brushcutters (FS), FS 130 Stihl. In case of purchase of spare parts, indicate in the notes field (in the final phase of the cart) the year of purchase of the machine to certify the spare parts correct originals. FS 130 Stihl in order to identify the correct original spare parts.

View as Grid List
Sort by
Display per page

Muffler, Air filter FS 130

Muffler, Air filter Brushcutters (FS) FS 130 Stihl
From €1.76 incl tax

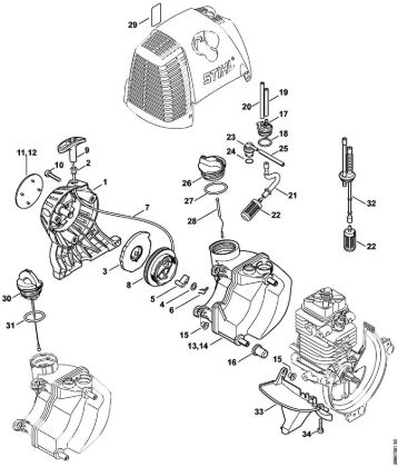
Pump FS 130

Pump Brushcutters (FS) FS 130 Stihl
From €31.07 incl tax

Tools, Extras FS 130

Tools, Extras Brushcutters (FS) FS 130 Stihl
From €1.42 incl tax

Transport guard FS 130

Transport guard Brushcutters (FS) FS 130 Stihl
From €11.19 incl tax

Valve timing gear FS 130

Valve timing gear Brushcutters (FS) FS 130 Stihl
From €1.56 incl tax