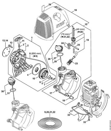
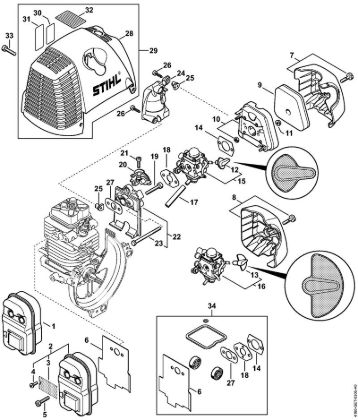
FS 90 - 4180

Complete diagram of original spare parts of  Brushcutters (FS), FS 90 - 4180 Stihl. In case of purchase of spare parts, indicate in the notes field (in the final phase of the cart) the year of purchase of the machine to certify the spare parts correct originals. FS 90 - 4180 Stihl in order to identify the correct original spare parts.

View as Grid List
Sort by
Display per page

Pump FS 90 - 4180

Pump Brushcutters (FS) FS 90 - 4180 Stihl
From €31.07 incl tax

Tools, Extras FS 90 - 4180

Tools, Extras Brushcutters (FS) FS 90 - 4180 Stihl
From €1.42 incl tax

Transport guard FS 90 - 4180

Transport guard Brushcutters (FS) FS 90 - 4180 Stihl
From €11.19 incl tax