FS 91 R

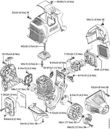
Complete diagram of original spare parts of  Brushcutters (FS), FS 91 R Stihl. In case of purchase of spare parts, indicate in the notes field (in the final phase of the cart) the year of purchase of the machine to certify the spare parts correct originals. FS 91 R Stihl in order to identify the correct original spare parts.

View as Grid List
Sort by
Display per page

Screwdriver, T8 FS 91 R

Screwdriver, T8 Brushcutters (FS) FS 91 R Stihl
From €12.72 incl tax

Tightening torques FS 91 R

Tightening torques Brushcutters (FS) FS 91 R Stihl
From €1.76 incl tax

Tightening torques FS 91 R

Tightening torques Brushcutters (FS) FS 91 R Stihl
From €2.68 incl tax

Tools, Extras FS 91 R

Tools, Extras Brushcutters (FS) FS 91 R Stihl
From €1.42 incl tax

Transport guard FS 91 R

Transport guard Brushcutters (FS) FS 91 R Stihl
From €11.19 incl tax