FS 510 C-EM
Complete diagram of original spare parts of Clearing saws (FS), FS 510 C-EM Stihl. In case of purchase of spare parts, indicate in the notes field (in the final phase of the cart) the year of purchase of the machine to certify the spare parts correct originals. FS 510 C-EM Stihl in order to identify the correct original spare parts.
Carburetor HDA-302, HDA-311 FS 510 C-EM
Carburetor HDA-302, HDA-311 Clearing saws (FS) FS 510 C-EM Stihl
From €3.81 incl tax
Clutch, Clutch housing FS 510 C-EM
Clutch, Clutch housing Clearing saws (FS) FS 510 C-EM Stihl
From €1.07 incl tax
Combination wrench FS 510 C-EM
Combination wrench Clearing saws (FS) FS 510 C-EM Stihl
From €23.82 incl tax
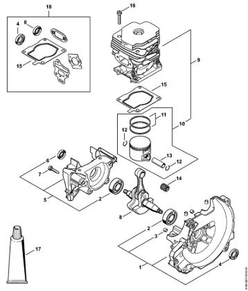
Crankcase, Cylinder FS 510 C-EM
Crankcase, Cylinder Clearing saws (FS) FS 510 C-EM Stihl
From €2.15 incl tax
Drive tube assembly FS 510 C-EM
Drive tube assembly Clearing saws (FS) FS 510 C-EM Stihl
From €3.61 incl tax
Forestry harness ADVANCE X-TREEm FS 510 C-EM
Forestry harness ADVANCE X-TREEm Clearing saws (FS) FS 510 C-EM Stihl
From €2.68 incl tax
Handlebar, Control handle FS 510 C-EM
Handlebar, Control handle Clearing saws (FS) FS 510 C-EM Stihl
From €1.71 incl tax
- 1
- 2