FS 561 C-EM
Complete diagram of original spare parts of Clearing saws (FS), FS 561 C-EM Stihl. In case of purchase of spare parts, indicate in the notes field (in the final phase of the cart) the year of purchase of the machine to certify the spare parts correct originals. FS 561 C-EM Stihl in order to identify the correct original spare parts.
Clutch, Clutch housing FS 561 C-EM
Clutch, Clutch housing Clearing saws (FS) FS 561 C-EM Stihl
From €1.07 incl tax
Combination wrench FS 561 C-EM
Combination wrench Clearing saws (FS) FS 561 C-EM Stihl
From €23.82 incl tax
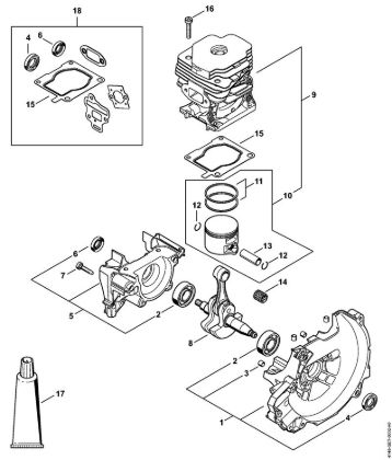
Crankcase, Cylinder FS 561 C-EM
Crankcase, Cylinder Clearing saws (FS) FS 561 C-EM Stihl
From €2.15 incl tax
Drive tube assembly FS 561 C-EM
Drive tube assembly Clearing saws (FS) FS 561 C-EM Stihl
From €3.61 incl tax
Forestry harness ADVANCE X-TREEm FS 561 C-EM
Forestry harness ADVANCE X-TREEm Clearing saws (FS) FS 561 C-EM Stihl
From €2.68 incl tax
Handlebar, Control handle FS 561 C-EM
Handlebar, Control handle Clearing saws (FS) FS 561 C-EM Stihl
From €1.71 incl tax
- 1
- 2