LUX 47 TV Lawnmower
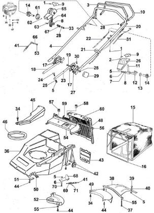
Complete diagram of the original spare parts of the Oleo-Mac Oleo-Mac . In case of purchase of spare parts, indicate in the notes field (in the final phase of the trolley) the year of purchase of the machine in order to identify the correct original spare parts.
Handle and deck LUX 47 TV Lawnmower
Mowers LUX 47 TV Lawnmower Handle and deck Brand Oleo-Mac
From €0.44 incl tax