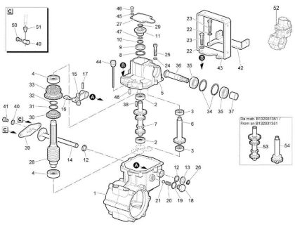
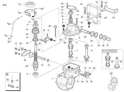
Complete diagram of the original spare parts of the Oleo-Mac Oleo-Mac . In case of purchase of spare parts, indicate in the notes field (in the final phase of the trolley) the year of purchase of the machine in order to identify the correct original spare parts.
Sort by Position Name: A to Z Name: Z to A Price: Low to High Price: High to Low Created on
Display 6 9 12 15 18 21 24 27 30 40 50 per page
Mowers WB 65 HR 11 Flail mowers Cutting unit (Rotor) Brand Oleo-Mac
Mowers WB 65 HR 11 Flail mowers Driving wheel - Plate kit Brand Oleo-Mac
Mowers WB 65 HR 11 Flail mowers Frame and engine Brand Oleo-Mac
Mowers WB 65 HR 11 Flail mowers Guard (Rotor) Brand Oleo-Mac
Mowers WB 65 HR 11 Flail mowers Handle-bar and control box Brand Oleo-Mac
Mowers WB 65 HR 11 Flail mowers Speed gears of the change - with brake from sn B133181826 Brand Oleo-Mac
Mowers WB 65 HR 11 Flail mowers Speed gears of the change (1/2) Brand Oleo-Mac
Mowers WB 65 HR 11 Flail mowers Speed gears of the change (2/2) Brand Oleo-Mac
Mowers WB 65 HR 11 Flail mowers Transmission (1/2) Brand Oleo-Mac
Mowers WB 65 HR 11 Flail mowers Transmission (2/2) Brand Oleo-Mac