Complete illustrated parts list MAX 53 THX Lawnmower
Mowers MAX 53 THX Lawnmower Complete illustrated parts list Brand Oleo-Mac
From €0.54 incl tax
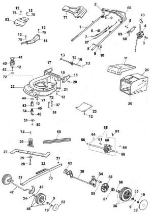
Complete diagram of the original spare parts of the Oleo-Mac Oleo-Mac . In case of purchase of spare parts, indicate in the notes field (in the final phase of the trolley) the year of purchase of the machine in order to identify the correct original spare parts.