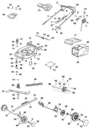
Complete illustrated parts list MAX 48 TBX Lawnmower
Mowers MAX 48 TBX Lawnmower Complete illustrated parts list Brand Oleo-Mac
From €0.54 incl tax
Complete diagram of the original spare parts of the Oleo-Mac Oleo-Mac . In case of purchase of spare parts, indicate in the notes field (in the final phase of the trolley) the year of purchase of the machine in order to identify the correct original spare parts.