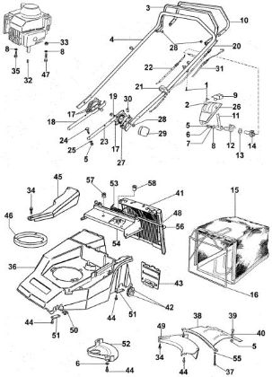
LUX 53 TJ Lawnmower
Complete diagram of the original spare parts of the Oleo-Mac Oleo-Mac . In case of purchase of spare parts, indicate in the notes field (in the final phase of the trolley) the year of purchase of the machine in order to identify the correct original spare parts.
New handle (From January 2003) LUX 53 TJ Lawnmower
Mowers LUX 53 TJ Lawnmower New handle (From January 2003) Brand Oleo-Mac
From €0.44 incl tax
Old type handle (Until December 2002) LUX 53 TJ Lawnmower
Mowers LUX 53 TJ Lawnmower Old type handle (Until December 2002) Brand Oleo-Mac
From €0.44 incl tax